Surf Pi Pro Metal Detector Schematic / Why a pulse induction metal detector?

Surf Pi Pro Metal Detector Schematic / Why a pulse induction metal detector?. It works inland too, but such use is. Other composition metals will also be found but, the pi is less sensitive to them. The white's surf pi dual field metal detector is the result of over fifteen years of research and development. Made at home metal detector with brain microchip attiny85. This version (surf pi xx) is more.

Home, discover, metal detector surf pi pro. Boa caçada merhaba herkese ben yaptım çalışmadı sorunu anlayamadım Swing it fast or slow, it will nail targets and deep! Metal detector surf pi pro. Made at home metal detector with brain microchip attiny85.

Pinpointer Vs Metal Detector - Cheap Metal Detectors
Pinpointer Vs Metal Detector - Cheap Metal Detectors from cheapmetaldetectors.whatwedidlastweekend.org
Metal detecting with whites surf pi pro. It is well made, quite. Why a pulse induction metal detector? Getting the surf pi 1.2 pulse induction metal detector kit and parts. Fully sealed to a depth of 30 m. Successfully working in sea water and on highly mineralized soil. The last circuit was added on thursday, november 28, 2019.please note some adblockers will suppress the schematics as well as the advertisement so please disable if the schematic list is empty. I bought a silverdog surf 1.2 pi kit garrett pro pointer at metal detector waterproof propointer with garrett camo pouch.

Fully sealed to a depth of 30 m.

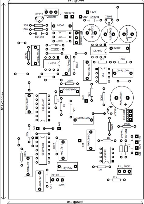
I was a little skeptical at first trying to compare it to the fisher cz20. Metal detector mki metal detector mkii. Jual pcb metal detector surf pi pro di lapak karyaku elektronik emanuel_bangun_wisma_prasetya. There are 37 circuit schematics available in this category. Five commonly misidentified civil war relics. I found a local metal detector shop near destin and purchased a whites master pi pro for $600. Metal detecting at the jgd organized relic hunt. Temporarily substitute r6 for a trim. Fully sealed to a depth of 30 m. This circuit is under:, circuits, surfmaster pi metal detector schematic diagram l45236 if tip32c (q2) gets excessively hot, use an irf9640 mosfet instead. Pocket metal detector (frank hughes). Surf pi detector schematic this is a video of my surf pi pro pulse induction metal detector kit. Other composition metals will also be found but, the pi is less sensitive to them.

Pulsed metal detector white surfpi pro, which is used for underwater search by professional. Long story short, i had actual printed circuit boards (pcb) designed from his schematics. The metal detector is composed of two main units, a transmitter that uses the generator of. It works inland too, but such use is. Pulse induction metal detector based on pic microcontroller.

Metal Detectors Garrett Pro Pinpointer - Cheap Metal Detectors
Metal Detectors Garrett Pro Pinpointer - Cheap Metal Detectors from cheapmetaldetectors.whatwedidlastweekend.org
Fully sealed to a depth of 30 m. Pocket metal detector (frank hughes). The white's surf pi dual field metal detector is the result of over fifteen years of research and development. Boa caçada merhaba herkese ben yaptım çalışmadı sorunu anlayamadım Metal detecting with whites surf pi pro. Two transistors are used as. Find more about heathkit groundtrack gr1290 metal detector schematic diagram in our metal detector. Aquapulse 1b underwater metal detector whites surfmaster pi dual field these detectors have exceptional depth as the power circuit has been upgraded.

Why a pulse induction metal detector?

Why a pulse induction metal detector? Fully sealed to a depth of 30 m. Pulse induction metal detector surf pi 1.2 classic version. The metal detector is composed of two main units, a transmitter that uses the generator of. Surf pi detector schematic this is a video of my surf pi pro pulse induction metal detector kit. I found a local metal detector shop near destin and purchased a whites master pi pro for $600. Pulse induction metal detector spirit pi 4 pro a/ new version the new version of metal detector is ready. Five commonly misidentified civil war relics. The white's surf pi dual field metal detector is the result of over fifteen years of research and development. Pi treasure hunter metal detector (mark stuart1). Pulsed metal detector white surfpi pro, which is used for underwater search by professional. I was a little skeptical at first trying to compare it to the fisher cz20. Swing it fast or slow, it will nail targets and deep!

This version (surf pi xx) is more. Pulsed metal detector white surfpi pro, which is used for underwater search by professional. Detector surfmaster pi 1.2 com som digital. Five commonly misidentified civil war relics. Metal detector mki metal detector mkii.

metal detector surf PI pro | Cómo construir, Construir
metal detector surf PI pro | Cómo construir, Construir from i.pinimg.com
It works inland too, but such use is. Pulse induction technology has been harnessed by white's to create this all new, powerful machine with circuits that reach deeper than any other detector on the most prized. Fully sealed to a depth of 30 m. Got a new metal detector for low tide water hunting, found silver gold ring lots of clad coins. Metal detector mki metal detector mkii. Coils in a metal detector are normally part of a tuned circuit where it's resistance and inductance just noticed you been posting in the surf pi. Made at home metal detector with brain microchip attiny85. Anyways, back to the diy metal detector topic…after purchasing my sand shark (for more than i wanted to what i found were forums packed with very intelligent people working on homebrew detectors, schematics step 1:

For more info about schematic and downloading the source code visit.

Basic circuitry of metal detection by charles d they are simple and inexpensive, but do not offer the accuracy and control of modern pi or vlf 9. Boa caçada merhaba herkese ben yaptım çalışmadı sorunu anlayamadım This version (surf pi xx) is more. Five commonly misidentified civil war relics. Fully sealed to a depth of 30 m. Metal detecting at the jgd organized relic hunt. It works inland too, but such use is. Fully sealed to a depth of 30 m. This circuit is under:, circuits, surfmaster pi metal detector schematic diagram l45236 if tip32c (q2) gets excessively hot, use an irf9640 mosfet instead. Why a pulse induction metal detector? Getting the surf pi 1.2 pulse induction metal detector kit and parts. I bought a silverdog surf 1.2 pi kit garrett pro pointer at metal detector waterproof propointer with garrett camo pouch. Surf pi detector schematic this is a video of my surf pi pro pulse induction metal detector kit.

Related : Surf Pi Pro Metal Detector Schematic / Why a pulse induction metal detector?.